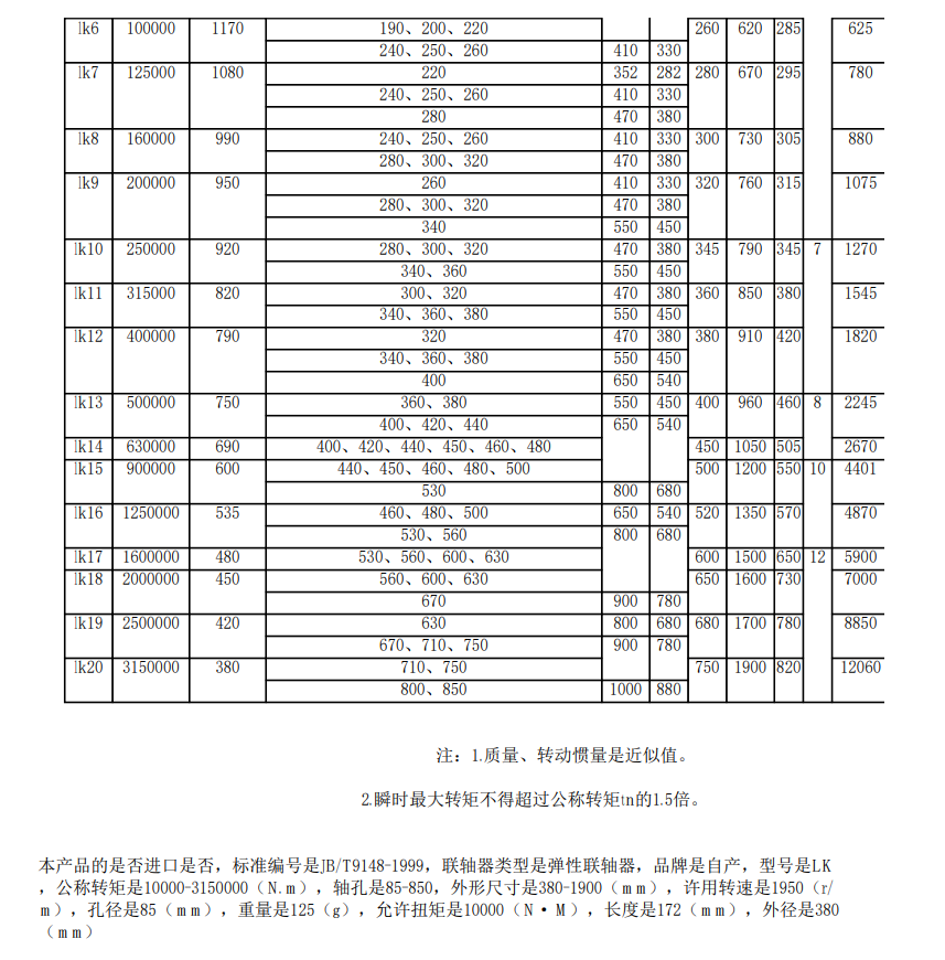
LK彈性塊聯軸器是以橡膠為彈性元件材料,無扭轉傳動間隙,易于現場調節剛度的彈性聯軸器,具有補償兩軸相對偏移以及減振、緩沖性能,節能,無噪聲,不用潤滑,更換彈性件(易損件)時主機半聯軸器用作軸線移動(對于重型機械設備此特點尤為重要)。 安裝維護簡便,使用壽命較長,根據需要通過改變橡膠配方(主要改變硬度)可以調整聯軸器的扭轉剛度。適用于聯接兩同軸線大中功率、振動沖擊較大的軸系傳動,例如冶金機械、礦山機械等。原來的標準(ZBJ19029-90)存在外徑尺寸大、質量大等缺點,改進后的新標準(JB/T9148-99代替ZBJ19029-90)新結構不僅保留了減振、緩沖性能好的特點,而且縮小了外徑尺寸,減輕了質量和轉動慣量,提高了許用轉速,經過幾年的工業應用,優點十分明顯,已成原結構的更新換代產品。新標準許用轉速平均提高28%,**外徑平均縮小36%,轉動慣量平均減小70%,質量平均減輕57%。

